Shop
New Arrival
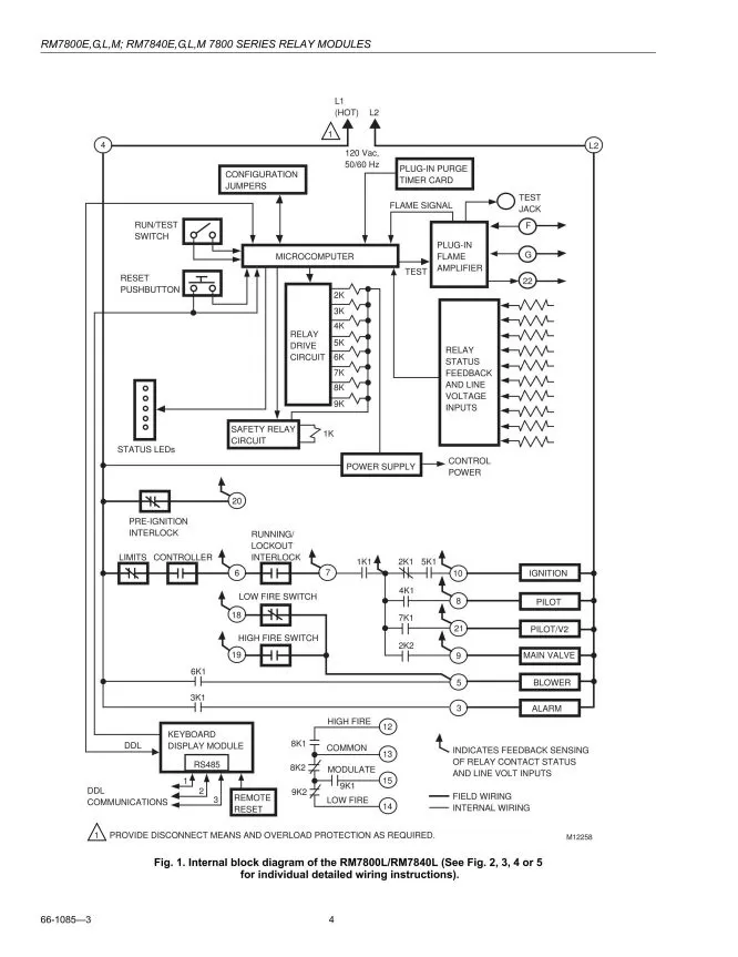
Honeywell Programmer Control LHL-LF Proven Purge w /S7800 Display (Lockout) RM7800L1012
Price: $815 $0
Stock: 693
Key attributesIndustry-specific attributestypeGas BurnerMaterialStainless SteelO
Key attributes
Industry-specific attributes
type
Gas Burner
Material
Stainless Steel
Other attributes
Weight (kg)
1
warranty
6 Months
video outgoing-inspection
Provided
machinery test report
Not Available
place of origin
Mexico
brand name
honneywell
size
127*127*133mm
Ambient
-40 F to +140 F
Power Supply:
120 Vac (+10/-15%), 50/60 Hz (±10%)
Lead time
| Quantity (boxes) | 1 - 10 | > 10 |
| Lead time (days) | 3 | To be negotiated |
















Hot Products
Facer minimum adversarium ut meiHoneywell Purge Timer fo
$80 $90
Honeywell Purge Timer fo
$80 $90
Honeywell Purge Timer fo
$80 $90
Honeywell Purge Timer fo
$80 $90